03.03.2016, 17:41
(Dieser Beitrag wurde zuletzt bearbeitet: 03.03.2016 18:10 von Lucki.)
|
Lucki
Tech.Exp.2.Klasse
Beiträge: 7.699
Registriert seit: Mar 2006
LV 2016-18 prof.
1995
DE
01108
Deutschland
|
RE: Probleme mit Differential-Konfiguration bei einem Druckmessumformer
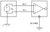
Der Anschluß ist so überhaupt nicht in Ordnung. Das was Du angeschlossen hast darf nicht floaten. In Ordnung wäre es höchstens, wenn die 24V Quelle nicht floated, sondern einseitig mit der PC-Masse verbunden ist. Glaube ich aber eher nicht, denn dann würde es ja funktionieren.
Die Verbindung zur Masse aber nicht an der Messkarte herstellen (rot= falsch), sondern ein dritte Leitung zum Sensor ziehen (grün = richtig). Wenn Du das machst, hast Du ein wunderbars Signal und musst nicht mir irgendwelchen Filtern rumopern.
In der Labview-Hilfe ist es so gezeigt (Wobei Rext auch Null Ohm sein kann, wenn die Masseleitung vorn am Sensor angeschlossen ist):
|
|
|
|
|
04.03.2016, 10:18
|
ChristophSchöneck
LVF-Grünschnabel

Beiträge: 19
Registriert seit: Jan 2016
2015
2015
DE_EN
Deutschland
|
RE: Probleme mit Differential-Konfiguration bei einem Druckmessumformer
Hallo Lucky,
erstmal danke für die Informationen. Aber ich nun etwas irritiert. Der Support von Wika teilte mir mit, dass der Sensor geerdet sei, wenn er an einer Anlage angeschlossen ist. Daher habe ich die Diff-Schaltung gewählt, um die Masseschleife zwischen Grund Sensor und Grund DAQ zu verhindern.

also so
In deiner Abbildung mit den eingezeichneten Drähten, wohin genau geht denn dann der grüne Draht?
Zitat:sondern ein dritte Leitung zum Sensor ziehen (grün = richtig).
Ist die Leitung so nicht vom -Pol des Netzteils in den DAQ eingezeichnet?
Gruß,
Chris
|
|
|
|
|
04.03.2016, 10:49
|
Lucki
Tech.Exp.2.Klasse
Beiträge: 7.699
Registriert seit: Mar 2006
LV 2016-18 prof.
1995
DE
01108
Deutschland
|
RE: Probleme mit Differential-Konfiguration bei einem Druckmessumformer

Der grüne Draht geht auf den Pin AIGND. Davon gibt es viele, egal auf welchen, es bietet sich aber an, den zu AI1 oder AI9 nächtliegenden Pin zu verwenden.
Wenn der Sensor mit Maschinenmasse verbunden ist, dann ist Deine Schlatung nicht falsch. Ein differentieller Eingang ist unbedingt richtig. Aber: der galvanische Verbindungsweg Sensor - Maschine - Netzanschluss - Schukosteckdose 1 - Hausleitung Netz - Schuckosteckdose 2 - Netzanschluß PC - Masse der Messkarte kann riesengroß sein. Oder existiert vielleicht gar nicht, wenn das andere Gerät keinen Schuko-Anschluß hat (Prüfen!). Ich würde deshalb die grüne Leitung trotzdem ziehen, zumindest versuchsweise. Man hat dann zwar eine "Erdschleife", aber das ist oftmals besser als diese unbekannt lange Verbindung. Es ist leicht feststellbar, mit welcher Konfiguration das Signal sauberer ist.
Gruß Ludwig
|
|
|
|
|
04.03.2016, 11:00
|
ChristophSchöneck
LVF-Grünschnabel

Beiträge: 19
Registriert seit: Jan 2016
2015
2015
DE_EN
Deutschland
|
RE: Probleme mit Differential-Konfiguration bei einem Druckmessumformer
Hier im Labor (ganz neues Gebäude, erst letztes Jahr im Dezember fertig gestellt) sind alle Steckdosen Schuckosteckdosen.
Ich werde dann mal die zusätzliche Leitung ziehen und nochmal testen.
Gewisse Bedenken habe ich allerdings noch immer, da NI überall darauf hinweist, dass die Erdschleife (oder Masseschleife) den DAQ zerstören können. Wie wahrscheinlich ist denn diese Gefahr (oder kann man das überhaupt nicht abschätzen)?
|
|
|
|
|
04.03.2016, 11:32
|
ChristophSchöneck
LVF-Grünschnabel

Beiträge: 19
Registriert seit: Jan 2016
2015
2015
DE_EN
Deutschland
|
RE: Probleme mit Differential-Konfiguration bei einem Druckmessumformer
Vielen Dank Lucki, es funktioniert nun mit der zusätzlichen Leitung so wie soll. Das Signal ist konstant und die Störfrequenz ist komplett verschunden.
Zitat:Gewisse Bedenken habe ich allerdings noch immer, da NI überall darauf hinweist, dass die Erdschleife (oder Masseschleife) den DAQ zerstören können. Wie wahrscheinlich ist denn diese Gefahr (oder kann man das überhaupt nicht abschätzen)?
Das bleibt allerdings ;-)
|
|
|
|
|
04.03.2016, 13:25
|
ChristophSchöneck
LVF-Grünschnabel

Beiträge: 19
Registriert seit: Jan 2016
2015
2015
DE_EN
Deutschland
|
RE: Probleme mit Differential-Konfiguration bei einem Druckmessumformer
Eine Sache, dir mir gerade noch eingefallen ist: Was würde den passieren, wenn der DAQ an einem Laptop angeschlossen wäre?
Solange der Laptop nicht geladen wird und keine Verbindung zum Stromnetz hat, würde der Weg wie von Lucki beschrieben
Sensor - Maschine - Netzanschluss - Schukosteckdose 1 - Hausleitung Netz hier enden.
Der Rest Schuckosteckdose 2 - Netzanschluß PC - Masse der Messkarte wäre ja galvanisch nicht verbunden, richtig?
Würde damit das Problem der Masseschleife nicht behoben sein? Oder hab ich dann wieder meine Störfrequenz drin?
|
|
|
|
04.03.2016, 13:59
(Dieser Beitrag wurde zuletzt bearbeitet: 04.03.2016 14:21 von Lucki.)
|
Lucki
Tech.Exp.2.Klasse
Beiträge: 7.699
Registriert seit: Mar 2006
LV 2016-18 prof.
1995
DE
01108
Deutschland
|
RE: Probleme mit Differential-Konfiguration bei einem Druckmessumformer
Zum Problem "Erdscheife". In einer Erdschleife werden durch vagabundierende Magnetfelder Ströme induziert. Je größer die von der Schleife eingeschlossene Fläche, je desto höher die Ströme. Wegen des Ohmschein Widerstandes die Leitungen hat man dann auch Spannungsabfälle auf der Leitung. Solche Spanungen addieren sich aber nur dann zum Messsignal und werden somit zur Störung, wenn eine Strecke der Schleife gleichzeitig die Rückführungsleitung (der "Minuspol") des Messignals ist.
Es muss also dafür gesorgt werden, dass auf den beiden Leitungen des Messignals (Hin- und Rückführung) kein Störstrom fließen kann. Das ist mit der "grünen" Leitungsverlegung der Fall, mit der "roten" nicht. Störspannungen auf der "Erschleife" können dann nicht gefählich werden, die "Erdschleife" ist kein Teil der "Messschleife" (d.h. der Signal hin- oder Rückführungsleitung).
Es ist aber noch etwas komplizierter: Störspannungen, auch wenn sie sich nicht direkt der Messpanung überlagern, können auch "Gleichtakt" - Störungen sein. Ein idealer Differentialeingang unterdrückt solche Störungen - dafür ist er ja da. Im Realfall ist aber die Unterdrückung endlich, und wird um so schlechter, je höher die Störfrequnz ist. Ganz schlecht wird es im Bereich von mehreren MHz. Solche Frequenzbereiche unterdrückt man am ehesten, wenn die Erdleituung zwischen Signalquelle und Messkarte möglichst kurz ist. Wenn dabei eine "Erdschleife" entsteht, ist das im Fall des Differentialeingangs wie hier das viel kleinere Übel.
Literatur: Ralph Morrison "Grounding and Shielding in Instrumentation"
Auch Googlen mit "Grounding and Shielding" lohnt sich.
|
|
|
|
|
04.03.2016, 14:13
|
ChristophSchöneck
LVF-Grünschnabel

Beiträge: 19
Registriert seit: Jan 2016
2015
2015
DE_EN
Deutschland
|
RE: Probleme mit Differential-Konfiguration bei einem Druckmessumformer
Wow. Das nenn ich mal ein ausführliche Erklärung, danke.
Kann ich die Störspannungen denn über eine externe Leitung ausgleichen? Im Labor haben wir Potenzialausgleiche (hab grade mit meinem Chef gesprochen, der mich darauf hingewiesen hat). Das sind doch meines Wissens nach "Erdungen" und wenn ich dort die "Erdschleife" (also der grüne Draht) hinlege, ist doch mein Messsignal noch immer entstört.
|
|
|
|
06.03.2016, 15:50
(Dieser Beitrag wurde zuletzt bearbeitet: 06.03.2016 18:43 von Lucki.)
|
Lucki
Tech.Exp.2.Klasse
Beiträge: 7.699
Registriert seit: Mar 2006
LV 2016-18 prof.
1995
DE
01108
Deutschland
|
RE: Probleme mit Differential-Konfiguration bei einem Druckmessumformer
Ich habe Dir ausführlich geantwortet, Literaturhinweise gegeben, und Dein Problem war ja gelöst. Jetzt noch weiterzumachen habe ich keinen Bock mehr. Potenzialausgleich ist keine Besonderheit Deines Labors, wie Dein Chef das glaubt. Es ist vielmehr eine verbindliche Vorschrift (- früher VDE, jetzt weiß ich nicht, ob und wie die Bürokraten in Brüssel das umbenannt haben -) , wonach eiserne Badewannen, alles fest installierte metallische Mobilar, Maschinen usw., untereinander und mit Schuko-Masse zu verbinden hat.
|
|
|
|
| |